
საკონდიტრო „ბარამბო“ - გალეტი შოკოლადით
დამკვეთი: კომპანია „ბარამბო“
პროექტის დაკვეთა მოხდა 2016 წლის 24 მარტს.
პროექტის დამუშავება დამთავრდა 2016 წლის24 მაისს.
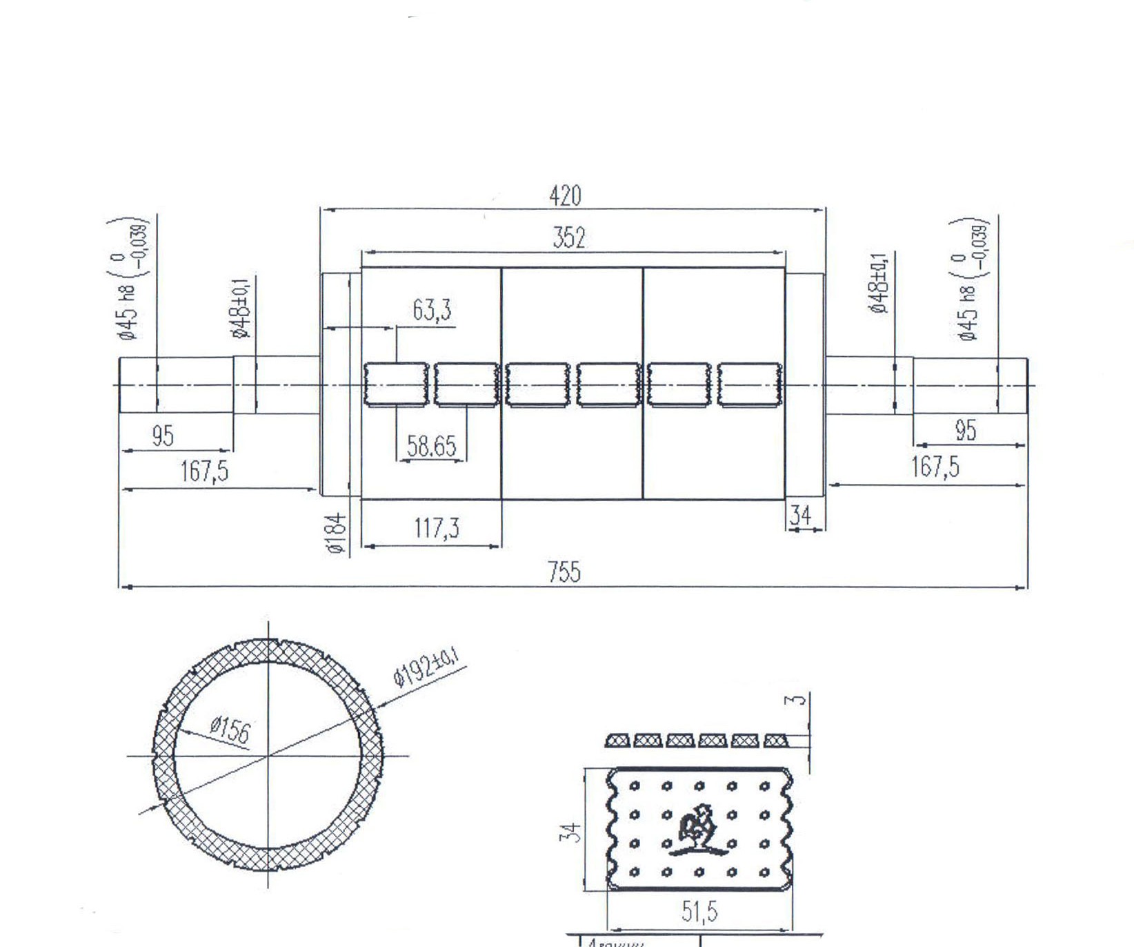
კომპანიამ „ბარამბო“ მოგვმართა თხოვნით დაგვემზადებინა მათთვის სპეციალური გალეტის ორცხობილა, რომელსაც შემდეგ დაემატებოდა შოკოლადი გასაფორმებლად.
დაკვეთა იყო კონფიდენციალური ხასიათის, ძალიან ორიგინალური და საინტერესო.
კომპანია „ინოსისტემმა“ მოცემულ დავალებას წარმატებით გაართვა თავი, განახორციელა და აღნიშნულ ვადებში დროულად ჩააბარა პროექტი დამკვეთს, მიუხედავად იმისა, რომ მოცემული დავალება იყო რთული შესასრულებელი, როგორც ტექნიკურად, ასევე ტექნოლოგიურად ასორტიმენტის მიხედვით, რისთვისაც გამოყენებული იქნა ადგილობრივი რესურსი.